• Original product

REVERSE SWITCH

1006474

Code: 01.0719.0600.01

Doc. Code: 01-0719-0600-01

€310.06
tax excluded

(378.27 € tax incl.)

Quantity

  • SSL 100% secure website SSL 100% secure website
  • Fast shipping with national and international couriers Fast shipping with national and international couriers
Sito sicuro | Pagamento sicuro
description
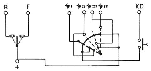
functionpeak load 12vpeak load 24v
forward gear200ma100ma
reverse gear200ma100ma
kd3a1,5a
speed 1200ma100ma
speed 2200ma100ma
speed 3200ma100ma
speed 4200ma100ma
length lever mm
201-300
steering height mm
0-100
type
single
fitting position
lh
technology
frontali in aria
type connection
deutsch 12 vie
length lever mm detail
252
steering height mm detail
88
model type
serie 2000
function - speed 4
attivo
function - speed 3
attivo
function - speed 2
attivo
function - speed 1
attivo
function - reverse gear
attivo
function - forward gear
attivo
function - kd
attivo
APPLICATIONS
Components for access platforms telescopic - cranes
Telehandlers
Forklift trucks
Earth moving machines
Trucks tractors - trailers
Agricultural vehicles
Combines
Mixer wagons
Fire fighting - rescue vehicles
Camper & caravan
Motorcycles - quad components
Electric vehicles - golf cart
Can-bus boat global control system
Ambulances - emergency vehicles
Defense vehicles
1006474